Part number MMA052AA Product Type Amplifier from Manufacturer Microchip

Status: Standard | Data Sheet: pdf link image   | RoHS Compliance: Rohs Compliant

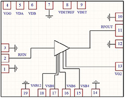
MMA052AA is a self-biased gallium arsenide (GaAs) monolithic microwave integrated circuit (MMIC) pseudomorphic high-electron-mobility transistor (pHEMT) distributed amplifier in die form that operates between DC and 26 GHz. It is ideal for test instrumentation, wideband military and space applications. The amplifier provides a 15 dB of gain with a rising slope, 3.5 dB noise figure, and 29 dBm of output power at 3 dB gain compression with the nominal bias of 235 mA from a 10 V supply. Output IP3 is typically 35 dBm. The MMA052AA amplifier is DC coupled and features RF I/Os that are internally matched to 50 Ω..

Part Number:
MMA052AA
Manufacturer:
Microchip
Type:
Die Amplifiers
Frequency Min:
0.01 GHz
Frequency Max:
26 GHz
P1dB:
26 dBm
Gain:
15 dB
IP3:
35 dBm
Supply Voltage \ Vd Min:
10 V
Supply Voltage \ Vd Max:
10 V
Quiescent Current \ Id:
235 mA
Noise Figure:
3.5 dB
Package:
DIE
Process:
GaAs
No Content Available

Technical Inquiry Request for MMA052AA Amplifier

Fields marked with * are required.
Product Specifications For MMA052AA Amplifier
Design Information
Contact Information


Availability
In Stock
0
Need products sooner?
Pricing
Pricing Available Upon Request. Request a Pricing Quote
Product Notices
No Current Notices